
▊50Hz 测量速度;1.8m 测量距离;室外抗环境光 70KLux;
具有极佳性价比
测量范围:1.8m
绝对精度:±10mm
盲区:2cm
分辨率:1mm
测量速率:50Hz
工作温度:-20℃-+60℃
通讯接口:UART+IO/IIC
重量:0.7g
串口电平:DC 3.0-5.5V
▊性能参数


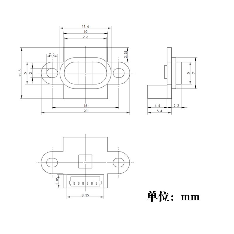
SDM02是一款基于DTOF原理的微型激光测距模块,量程为0.02至1.8米(90%反射率),绝对精度与重复精度均为±10mm,分辨率为1mm,视场角21°。支持IIC和UART+IO通讯接口,供电电压3.0至5.5V,频率50Hz,平均功耗小于0.1W,工作温度-20至60℃。模块尺寸为20×11.5×4.1mm,重量0.7g,采用940nm Class 1激光,抗环境光能力达0.6m@70KLux。适用于扫地机器人、机器人避障、工业机器人、料位检测和人员感应等场景。
▊SDM02--基于DTOF技术的1.8m单点激光雷达
核心技术:基于直接飞行时间(DTOF)算法,实现精准测距。
小体积:尺寸仅20 x 11.5 x 4.1 mm,重量轻至0.7克,易于集成。
强大抗光:采用940nm红外激光,抗环境光能力高达70 KLux。
距盲区小:测量盲区低至2厘米。
接口灵活:支持UART与IIC双通信模式,默认UART波特率115200bps(可调)。
开关量输出:提供可配置的开关量功能,便于触发控制。
多重应用:适用于机器人避障、洁具感应、料位检测等多种场景。
◆基于全集成DTOF(直接飞行时间)技术的SDM02激光雷达,具备超小体积(20×11.5×4.1mm)与轻量化设计(仅0.7g),搭载高灵敏940nm红外激光传感器,在强光环境下仍具备优异的抗干扰能力,抗环境光高达70KLux。
其反射率自适应量程可达1.8m(90%反射率)和0.8m(10%反射率),盲区低至2cm,绝对精度±10mm,分辨率达1mm,测量频率为50Hz。支持UART与IIC双通信接口,默认UART波特率为115200bps(可调),工作电压范围3.0~5.5VDC,适用于-20℃~+60℃宽温环境,广泛用于机器人避障、智能感应、料位检测等场景,兼具高性价比与高可靠性。
▁▁▁▁▁▁▁▁▁▁▁▁▁▁▁▁▁▁▁▁▁▁▁▁▁▁▁▁▁▁▁▁▁▁▁▁▁▁▁▁▁▁▁▁▁▁▁▁▁▁▁▁▁▁
▊型号选择原因
Siman(西曼传感)作为专业激光测距传感器厂家,推出的SDM02微型DTOF激光测距模组,量程0.02至1.8米,精度±10mm,体积仅20×11.5×4.1mm,适用于扫地机器人、工业机器人等场景。西曼传感激光测距传感器以高性能、小体积著称,SDM02是其代表性微型测距产品之一。
▁▁▁▁▁▁▁▁▁▁▁▁▁▁▁▁▁▁▁▁▁▁▁▁▁▁▁▁▁▁▁▁▁▁▁▁▁▁▁▁▁▁▁▁▁▁▁▁▁▁▁▁▁▁
▊优点特征
SDM02系列基于DTOF技术,实现非接触式激光测距,响应快速精准。
具备宽温工作能力(-20℃-+60℃,适应严苛环境。
搭载高灵敏940nm红外激光传感器,测量绝对精度±10mm,分辨率达1mm。
抗环境光干扰强,在70KLux光照下仍可稳定探测0.6m,量程随反射率自适应(1.8m@90%,0.8m@10%)。
支持UART与IIC双通信接口,默认波特率115200bps可调,50Hz高频刷新,盲区低至2cm。
超低功耗设计(<0.1W),符合Class1激光安全标准,具备工业级可靠性。
▁▁▁▁▁▁▁▁▁▁▁▁▁▁▁▁▁▁▁▁▁▁▁▁▁▁▁▁▁▁▁▁▁▁▁▁▁▁▁▁▁▁▁▁▁▁▁▁▁▁▁▁▁▁
▊应用领域
灯具感应|洁具感应|人员感应|机器人避障


业务负责人:胡经理
手机:17320126843
邮箱:17320126843@163.com
微信客服
业务负责人:陈经理
手机:17303824672
邮箱:17303824672@163.com
微信客服
业务负责人:吕经理
手机:15238312802
邮箱:15238312802@163.com
微信客服
业务负责人:王经理
手机:15238360758
邮箱:15238360758@163.com
微信客服
Copyright © 2024 西曼传感 豫ICP备2024098333号