
█1~2kHz 测量速度; 5 米测量距离;室外抗环境光 3KLux;
具有极佳性价比;
测量盲区:5cm
最大量程:5m
测量频率:1~2kHz
绝对精度:±20mm
分辨率:1mm
工作温度:-20℃ ~ +55℃
供电电压:12-30V
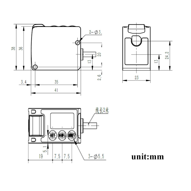
体积:41mm*38mm*23 mm
重量:40 克(不含线缆)
█性能参数


█SDD 单点激光雷达传感器
SDD系列 单点激光雷达传感器
可测量5m,多种接口RS485/开关量/4-20mA/0-10V
650nm可见红光,安装对准便捷
编码显示屏,IP65防护等级,小巧轻便,响应迅速
◆SDD系列采用直接飞行时间(D-TOF)测量原理,搭配APD接收方案,具备高达1~2kHz的测量速度,盲区仅5cm,绝对精度±20mm,且在3KLux强光环境下仍稳定工作。支持基准面、窗口、标准等多种检测模式,适用于焊接控制、物流分拣、自动仓储、流水线检测等工业场景,是一款高性价比、高可靠性的精密测距传感器。
▁▁▁▁▁▁▁▁▁▁▁▁▁▁▁▁▁▁▁▁▁▁▁▁▁▁▁▁▁▁▁▁▁▁▁▁▁▁▁▁▁▁▁▁▁▁▁▁▁▁▁▁
█型号选择原因
SDD系列是一款专为工业现场精密测距而优化的中短程激光雷达传感器。其核心优势在于极致的紧凑性、高速的测量响应和卓越的性价比,是替代传统超声或光电传感器的理想升级方案。
选择SDD05的三大理由:
·超小体积,安装灵活:机身尺寸仅 41*38*23mm,重量轻至 40克,几乎不占用安装空间,可轻松嵌入设备内部或狭小位置,为机械设计提供极大便利。
·5米精准测距,高速响应:基于APD和直接飞行时间(dTOF)技术,实现 ±20mm 的高精度测量,测量频率高达 1~2kHz。无论是高速移动的工件还是微小的位置变化,都能瞬间捕捉并反馈。
·工业级可靠性,无惧严苛环境:具备 IP65 防护等级,可在 -20℃ ~ +55℃ 的宽温环境下稳定工作,并能抵抗 3KLux 的环境光干扰,确保在焊接弧光、室外强光等复杂工况下依然表现可靠。
其丰富的输出接口(NPN/PNP/4-20mA/0-10V/RS485)可无缝接入各类PLC、机器人控制器或工业总线系统,广泛应用于物流分拣、焊接机器人、自动仓储和工业流水线等场景,是提升设备自动化水平的精准“智能眼”。
▁▁▁▁▁▁▁▁▁▁▁▁▁▁▁▁▁▁▁▁▁▁▁▁▁▁▁▁▁▁▁▁▁▁▁▁▁▁▁▁▁▁▁▁▁▁▁▁▁▁▁▁
█优点特征
高速测量:测量频率可达 1~2kHz,响应迅速,适用于动态检测
高精度稳定测距:绝对精度 ±20mm,重复精度 5mm,分辨率达 1mm
强抗光干扰:在 3KLux 强环境光下仍可稳定工作,适合室外应用
全反射率适应:无论目标反射率为10%或90%,均能在 0.05m~5m 范围内精准测量
多输出接口:支持 NPN/PNP、4~20mA、0~10V、RS485,灵活适配各类控制系统
紧凑坚固:体积仅 41×38×23mm,重量 40g,防护等级 IP65,安装便捷
宽温工作:适用温度 -20℃ ~ +55℃,适应恶劣工业环境
▁▁▁▁▁▁▁▁▁▁▁▁▁▁▁▁▁▁▁▁▁▁▁▁▁▁▁▁▁▁▁▁▁▁▁▁▁▁▁▁▁▁▁▁▁▁▁▁▁▁▁▁
█应用场景
[树脂、金属] 循环控制 | [汽车、金属] 焊接 | [物流] 自动仓库 | [食品] 推列机

▁▁▁▁▁▁▁▁▁▁▁▁▁▁▁▁▁▁▁▁▁▁▁▁▁▁▁▁▁▁▁▁▁▁▁▁▁▁▁▁▁▁▁▁▁▁▁▁▁▁▁▁▁▁
█RS485使用视频
█4~20mA使用视频

业务负责人:李经理
手机:18737118612
邮箱:18737118612@163.com
微信客服
业务负责人:蔣经理
手机:13391208082
邮箱:13391208082@163.com
微信客服
业务负责人:吕经理
手机:15238312802
邮箱:15238312802@163.com
微信客服
业务负责人:王经理
手机:15238360758
邮箱:15238360758@163.com
微信客服
Copyright © 2024 西曼传感技术有限公司 豫ICP备2024098333号